一、WEIERDA|蘇州威爾達精密點焊機PIW-500B 的特點:
1、LCD彩屏中文顯示,操作簡單易懂;
2、次級【定電流】【定電壓】【定功率】及混合模式、初級【定電流】【定脈寬】;
3、實時檢測顯示焊接電流,電壓,功率,電阻等數據和波形、豐富的I/O接口,與PC或PLC進行通訊,適合自動化對接;
4、可與通道分配器連接,實現多通道焊接(一個主機連接最多5個變壓器);
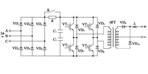
二、精密點焊機逆變原理圖:



三、精密點焊機焊接電源PIW-500B產品優勢
1、直流方波輸出,可設置電流緩升緩降,波形平整,逆變頻率2K-8K可以根據客戶需求定制,無交流過零點電流不連續的缺陷,熱量集中,提高了焊接熱效應。
2、由32位單片機控制,具有初級定電流,次級定電流,定電壓,定功率,定脈寬占空比,同時對電流,電壓,功率,電阻,占空比進行監控。
3、采用目前主流的橋式逆變技術,穩定節能可靠,具有電流異常,監控值超限,過熱等報警,并且通過I/O輸出,提高焊接品質。
4、硬件自我保護功率,本公司所設計的產品,均采用厚膜保護,外部異常情況下,智能切換IGBT模塊的驅動信號,增強系統保護功率。
5、多段多次加熱設定,電流緩升緩降功能,中間冷卻功能,多段重復功率,適合復雜焊接過程,復雜功率的需求,63組參數存儲,方便多種焊接品種的使用
6、強大的外部通訊功能:外部PLC可以通過8421碼調用任何一組程序, 具有焊接結束,故障,計數,良品與不良品判斷,RS232數據通訊接口,適合自動化焊接。
7、強大的數據處理功能,采用目前市場主流的32位ARM芯片,外加邏輯處理器控制,運算速度大幅提高。。
8、響應速度快,采用了1K,4K,8KHZ的逆變頻率,有交流和儲能焊機從原理上無法超越的優勢,同時也遠遠領先國內其他同行。
四、焊接實例:




五、逆變點焊機焊接電源PIW-500BA功率參數:
| 型號 | 輸入電壓 | 額定功率 | 最大輸出電流 | 控制模式 | 負載持續率 | 逆變頻率 |
| PIW-500B | 交流三相380V | 15KVA | 5000A | 初級定電流/次級定電流/定電壓/定功率/定脈寬 | 7% | 1k-8k根據客戶要求 |
| 焊接循環時段 | 焊接脈沖數 | 電流緩升緩降 | 存儲焊接規范數 | 外形尺寸(mm) | 重量 | |
| 20 | 2 | 有 | 63 | 142*480*269 | 10KG |
六、蘇州威爾達焊接設備有限公司其他產品型號:
IP逆變焊接電源系列:IP-1300A,IP-2500A,IP-4000C,IP-5000A
PIW逆變焊接電源系列:PIW-130C,PIW-250C, PIW-400C, PIW-500B,WPS-20KAS,WPS-20KAF ,WPS-10KAF
晶體管焊接電源系列:WTA-1000B,WTB-1000B,WTC-1000B,WTA-2000B,WTB-2000B,WTC-2000B,WTA-4000B,WTB-4000B,WTA-8000B
焊接電流監測儀:MM-122A,PC-120A
焊接壓力測試儀:PFDC-100A
電池點焊機系列:PB-CZ40-001 ,PB-SP40-001,WTA-4000B,WTA-8000B
馬達點焊機系列:PDAML-507-J
電感點焊機系列:PB-DG40-003
七、蘇州威爾達焊接設備有限公司介紹:
蘇州威爾達焊接設備有限公司為國內外客戶提供一整套的產品焊接解決方案及相關配套設備,主要產品包括:各類精密電阻焊接電源變頻直流式轉子點焊機,晶體管式組電池自動焊接機,各類汽車零部件生產流水線的焊接方案及成套設備,各類焊接監測儀等。公司產品涉及電機制造,新能源電池(PACK),光通信,汽車零部件,繼電器,電光源等多種行業。
企業研發實力雄厚,自主研發多項焊接相關的行業領先的精密點焊機,是優秀的電池、馬達轉子焊接設備及配套設備的供應商和服務商,現有上海、深圳、天津、金華(永康)、蘇州、南通等銷售服務網點,焊接相關設備的年生產能力達到1000套以上,隨著市場業務的不斷拓展,公司會陸續在其它客戶集中區域增辦服務網點,為我們的客戶提供更完善的服務。
公司秉承以產品質量為企業的生存基礎,以完善的售后服務為企業發展的根本原則,滿足客戶需求持續打造企業在焊接行業的核心競爭力,企業以每年不少于銷售額的10%投入研發,提高產品的技術品質,更好的服務于我們的用戶,在多個產品焊接行業迅速崛起,深受廣大用戶的肯定和贊揚,在客戶中有著極佳的口碑和信譽。
蘇州威爾達焊接設備有限公司
聯系電話:13915583428 手機:18606218431
傳真號碼:0512-67591273
郵箱:szweierda@163.com
地址:蘇州市相成區澄陽路586號脫穎科技園206-208








