精密點焊電源
精密逆變點焊電源PIW-500B簡單介紹
精密逆變點焊電源PIW-500B實際上就是一款變頻焊接電源,頻率在1000HZ-8000HZ.主要應用在電子元器件的焊接,典型用戶為馬達,電池,繼電器,汽車線束,開關觸點,放電管等等領域。也是自動化焊接廠家和焊接專機廠家優先選擇的一款設備。
精密逆變點焊電源PIW-500B 產品特點
1、LCD彩屏中文顯示,操作簡單易懂
2、次級【定電流】【定電壓】【定功率】及混合模式
3、初級【定電流】【定脈寬】
4、實時檢測顯示焊接電流,電壓,功率,電阻等數據和波形
5、豐富的I/O接口,與PC或PLC進行通訊,適合自動化對接
6、可與通道分配器連接,實現多通道焊接(一個主機連接最多5個變壓器)
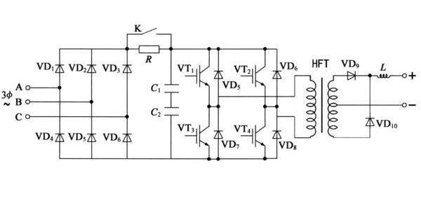
精密逆變焊接電源逆變原理圖


逆變焊接電源PIW-500B產品優勢
1、直流方波輸出,可設置電流緩升緩降,波形平整,逆變頻率2K-8K可以根據客戶需求定制,無交流過零點電流不連續的缺陷,熱量集中,提高了焊接熱效應。
2、由32位單片機控制,具有初級定電流,次級定電流,定電壓,定功率,定脈寬占空比,同時對電流,電壓,功率,電阻,占空比進行監控。
3、采用目前主流的橋式逆變技術,穩定節能可靠。
4、具有電流異常,監控值超限,過熱等報警,并且通過I/O輸出,提高焊接品質。
5、硬件自我保護功率,本公司所設計的產品,均采用厚膜保護,外部異常情況下,智能切換IGBT模塊的驅動信號,增強系統保護功率。
6、多段多次加熱設定,電流緩升緩降功能,中間冷卻功能,多段重復功率,適合復雜焊接過程,復雜功率的需求。
7、63組參數存儲,方便多種焊接品種的使用
8、強大的外部通訊功能:外部PLC可以通過8421碼調用任何一組程序,具有焊接結束,故障,計數,良品與不良品判斷,RS232數據通訊接口,適合自動化焊接。
9、強大的數據處理功能,采用目前市場主流的32位ARM芯片,外加邏輯處理器控制,運算速度大幅提高。
10、響應速度快,采用了1K,4K,8KHZ的逆變頻率,有交流和儲能焊機從原理上難以超越的優勢,同時也遠遠領先國內其他同行。
精密逆變焊接電源應用實例



逆變焊接電源PIW-500B功率參數

蘇州威爾達焊接設備有限公司
聯系電話:13915583428 手機:18606218431
傳真號碼:0512-67591273
郵箱:szweierda@163.com
地址:蘇州市相成區澄陽路586號脫穎科技園206-208








