精密點焊機用逆變焊接電源IP-4000C 特點 WEIERDA|蘇州威爾達
逆變焊接電源IP-4000C 產品特點
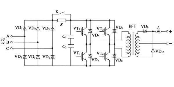
逆變焊接電源IP-4000C逆變原理圖:


逆變焊接電源IP-4000C產品優勢
焊接實例:




逆變焊接電源IP-4000C功率參數:
蘇州威爾達焊接設備有限公司其他產品型號:
IP逆變焊接電源系列:IP-1300A,IP-2500A,IP-4000C,IP-5000A
PIW逆變焊接電源系列:PIW-130C,PIW-250C,PIW-400C,PIW-500B, WPS-10KAF, WPS-20KAS
晶體管焊接電源系列:WTA-1000B,WTB-1000B,WTC-1000B,WTA-2000B,WTB-2000B,WTC-2000B
WTA-4000B,WTB-4000B,WTC-4000B,WTA-8000B
焊接電流監測儀:MM-122A,PC-120A
焊接壓力測試儀:PFDC-100A
電池點焊機系列:PB-CZ40-001 ,PB-SP40-001,WTA-4000B,WTA-8000B
馬達點焊機系列:PDAML-507-J
電感點焊機系列:PB-DG40-003
蘇州威爾達焊接售后服務承諾
為了您放心使用本公司產品,我們承諾如下:
1.誠實守信經營,不做假冒偽劣產品
2.所有產品全面測試并且老化合格收發貨
3.按照約定的交貨方式,安全抵達目的地
4.所有咨詢服務,24小時之內做出反饋
5.提供產品培訓,與相關的技術咨詢
逆變焊接電源IP-4000C 產品特點
- 一體式的設計,方便日常管理和使用。
- 具備63種焊接規范的設
- 高亮的LCD屏顯示,美觀易懂。
- 采用四鍵設置規范參數,極易上手操作。
- 實時監測焊接電流值。
- 對輸出電流采用上下限設置,電流異常報警功能,確保了焊接品質。
- 焊接電流精準控制,適用于細小產品的焊接。
逆變焊接電源IP-4000C逆變原理圖:


逆變焊接電源IP-4000C產品優勢
- 直流方波輸出,可設置電流緩升緩降,波形平整,逆變頻率2K-8K可以根據客戶需求定制,無交流過零點電流不連續的缺陷,熱量集中,提高了焊接熱效應。
- 由32位單片機控制,具有初級定電流,次級定電流,定電壓,定功率,定脈寬占空比,同時對電流,電壓,功率,電阻,占空比進行監控。
- 采用目前主流的橋式逆變技術,穩定節能可靠。
- 具有電流異常,監控值超限,過熱等報警,并且通過I/O輸出,提高焊接品質。
- 硬件自我保護功率,本公司所設計的產品,均采用厚膜保護,外部異常情況下,智能切換IGBT模塊的驅動信號,增強系統保護功率。
- 多段多次加熱設定,電流緩升緩降功能,中間冷卻功能,多段重復功率,適合復雜焊接過程,復雜功率的需求。
- 63組參數存儲,方便多種焊接品種的使用
- 強大的外部通訊功能:外部PLC可以通過8421碼調用任何一組程序, 具有焊接結束,故障,計數,良品與不良品判斷,RS232數據通訊接口,適合自動化焊接。
- 強大的數據處理功能,采用目前市場主流的32位ARM芯片,外加邏輯處理器控制,運算速度大幅提高。
- 響應速度快,采用了1K,4K,8KHZ的逆變頻率,有交流和儲能焊機從原理上難以超越的優勢。
焊接實例:




逆變焊接電源IP-4000C功率參數:
| 型號 | 輸入電壓 | 額定功率 | 最大輸出電流 | 控制模式 | 負載持續率 | 逆變頻率 |
| IP-4000C | 交流380V | 12KVA | 4000A | 定電流/定電壓/定功率 | 7% | 1k-8k根據客戶要求 |
| 焊接循環時段 | 焊接脈沖數 | 電流緩升緩降 | 存儲焊接規范數 | 外形尺寸(mm) | 重量 | |
| 20 | 2 | 有 | 63 | 172*480*269(電源) 195*400*180(變壓器) |
12KG(電源) 15KG(變壓器) |
蘇州威爾達焊接設備有限公司其他產品型號:
IP逆變焊接電源系列:IP-1300A,IP-2500A,IP-4000C,IP-5000A
PIW逆變焊接電源系列:PIW-130C,PIW-250C,PIW-400C,PIW-500B, WPS-10KAF, WPS-20KAS
晶體管焊接電源系列:WTA-1000B,WTB-1000B,WTC-1000B,WTA-2000B,WTB-2000B,WTC-2000B
WTA-4000B,WTB-4000B,WTC-4000B,WTA-8000B
焊接電流監測儀:MM-122A,PC-120A
焊接壓力測試儀:PFDC-100A
電池點焊機系列:PB-CZ40-001 ,PB-SP40-001,WTA-4000B,WTA-8000B
馬達點焊機系列:PDAML-507-J
電感點焊機系列:PB-DG40-003
蘇州威爾達焊接售后服務承諾
為了您放心使用本公司產品,我們承諾如下:
1.誠實守信經營,不做假冒偽劣產品
2.所有產品全面測試并且老化合格收發貨
3.按照約定的交貨方式,安全抵達目的地
4.所有咨詢服務,24小時之內做出反饋
5.提供產品培訓,與相關的技術咨詢
蘇州威爾達焊接設備有限公司
聯系人:趙工
聯系人:趙工
銷售地址:蘇州市相城區北橋鎮生態路8號萬企創意園A棟三樓
工廠地址:蘇州市相城區北橋鎮生態路8號萬企創意園A棟三樓
Mobile: 86-13915583428 QQ:7167753
Website: www.wanduobang.cn
主營業務:生產銷售精密逆變焊接電源,晶體管焊接電源
焊接檢測儀,合適馬達,電池,電感,薄膜電容等行業的焊接
蘇州威爾達焊接設備有限公司
聯系電話:13915583428 手機:18606218431
傳真號碼:0512-67591273
郵箱:szweierda@163.com
地址:蘇州市相成區澄陽路586號脫穎科技園206-208








