精密逆變點焊機IP-2500A 特點 WEIERDA|蘇州威爾達
逆變焊接電源IP-2500A 產品特點
√一體式的設計,方便日常管理和使用。
√具備63種焊接規范的設
√高亮的LCD屏顯示,美觀易懂。
√采用四鍵設置規范參數,極易上手操作。
√實時監測焊接電流值。
√對輸出電流采用上下限設置,電流異常報警功能,確保了焊接品質。
√焊接電流精準控制,適用于細小產品的焊接。
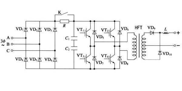
精密逆變原理圖:


逆變焊接電源IP-2500A產品優勢
√直流方波輸出,可設置電流緩升緩降,波形平整,逆變頻率2K-8K可以根據客戶需求定制,無交流過零點電流不連續的缺陷,熱量集中,提高了焊接熱效應。
√由32位單片機控制,具有初級定電流,次級定電流,定電壓,定功率,定脈寬占空比,同時對電流,電壓,功率,電阻,占空比進行監控。
√采用目前主流的橋式逆變技術,穩定節能可靠。
√具有電流異常,監控值超限,過熱等報警,并且通過I/O輸出,提高焊接品質。
√硬件自我保護功率,本公司所設計的產品,均采用厚膜保護,外部異常情況下,智能切換IGBT模塊的驅動信號,增強系統保護功率。
√多段多次加熱設定,電流緩升緩降功能,中間冷卻功能,多段重復功率,適合復雜焊接過程,復雜功率的需求。
√63組參數存儲,方便多種焊接品種的使用
√強大的外部通訊功能:外部PLC可以通過8421碼調用任何一組程序, 具有焊接結束,故障,計數,良品與不良品判斷,RS232數據通訊接口,適合自動化焊接。
√強大的數據處理功能,采用目前市場最快的32位ARM芯片,外加邏輯處理器控制,比同行業用的PIC芯片快至少200倍。
√響應速度快,采用了1K,4K,8KHZ的逆變頻率,有交流和儲能焊機從原理上難以超越的優勢。
焊接實例:




逆變焊接電源IP-2500A功率參數:
蘇州威爾達焊接設備有限公司其他產品型號:
IP逆變焊接電源系列:IP-1300A,IP-2500A,IP-4000C,IP-5000A
PIW逆變焊接電源系列:PIW-5030B,PIW-5031B,PIW-5032B,PIW-5033B
晶體管焊接電源系列:PDA-1500A,PDB-1500A,PDC-1500A,PDA-3000A,PDB-3000A,PDC-3000A
PDA-6000A,PDB-5000A,PDC-5000A,PDA-10000A
焊接電流監測儀:MM-122A,PC-120A
焊接壓力測試儀:PFDC-100A
電池點焊機系列:PB-CZ40-001 ,PB-SP40-001,WTA-4000B,WTA-8000B
馬達點焊機系列:PDAML-507-J
電感點焊機系列:PB-DG40-003
逆變焊接電源IP-2500A 產品特點
√一體式的設計,方便日常管理和使用。
√具備63種焊接規范的設
√高亮的LCD屏顯示,美觀易懂。
√采用四鍵設置規范參數,極易上手操作。
√實時監測焊接電流值。
√對輸出電流采用上下限設置,電流異常報警功能,確保了焊接品質。
√焊接電流精準控制,適用于細小產品的焊接。
精密逆變原理圖:


逆變焊接電源IP-2500A產品優勢
√直流方波輸出,可設置電流緩升緩降,波形平整,逆變頻率2K-8K可以根據客戶需求定制,無交流過零點電流不連續的缺陷,熱量集中,提高了焊接熱效應。
√由32位單片機控制,具有初級定電流,次級定電流,定電壓,定功率,定脈寬占空比,同時對電流,電壓,功率,電阻,占空比進行監控。
√采用目前主流的橋式逆變技術,穩定節能可靠。
√具有電流異常,監控值超限,過熱等報警,并且通過I/O輸出,提高焊接品質。
√硬件自我保護功率,本公司所設計的產品,均采用厚膜保護,外部異常情況下,智能切換IGBT模塊的驅動信號,增強系統保護功率。
√多段多次加熱設定,電流緩升緩降功能,中間冷卻功能,多段重復功率,適合復雜焊接過程,復雜功率的需求。
√63組參數存儲,方便多種焊接品種的使用
√強大的外部通訊功能:外部PLC可以通過8421碼調用任何一組程序, 具有焊接結束,故障,計數,良品與不良品判斷,RS232數據通訊接口,適合自動化焊接。
√強大的數據處理功能,采用目前市場最快的32位ARM芯片,外加邏輯處理器控制,比同行業用的PIC芯片快至少200倍。
√響應速度快,采用了1K,4K,8KHZ的逆變頻率,有交流和儲能焊機從原理上難以超越的優勢。
焊接實例:




逆變焊接電源IP-2500A功率參數:
| 型號 | 輸入電壓 | 額定功率 | 最大輸出電流 | 控制模式 | 負載持續率 | 逆變頻率 |
| IP-2500A | 交流220V | 5.3KVA | 2500A | 定電流/定電壓/定功率 | 7% | 1k-8k根據客戶要求 |
| 焊接循環時段 | 焊接脈沖數 | 電流緩升緩降 | 存儲焊接規范數 | 外形尺寸(mm) | 重量 | |
| 20 | 2 | 有 | 63 | 172*480*269 | 12KG |
蘇州威爾達焊接設備有限公司其他產品型號:
IP逆變焊接電源系列:IP-1300A,IP-2500A,IP-4000C,IP-5000A
PIW逆變焊接電源系列:PIW-5030B,PIW-5031B,PIW-5032B,PIW-5033B
晶體管焊接電源系列:PDA-1500A,PDB-1500A,PDC-1500A,PDA-3000A,PDB-3000A,PDC-3000A
PDA-6000A,PDB-5000A,PDC-5000A,PDA-10000A
焊接電流監測儀:MM-122A,PC-120A
焊接壓力測試儀:PFDC-100A
電池點焊機系列:PB-CZ40-001 ,PB-SP40-001,WTA-4000B,WTA-8000B
馬達點焊機系列:PDAML-507-J
電感點焊機系列:PB-DG40-003
蘇州威爾達焊接設備有限公司
聯系電話:13915583428 手機:18606218431
傳真號碼:0512-67591273
郵箱:szweierda@163.com
地址:蘇州市相成區澄陽路586號脫穎科技園206-208
跟此產品相關的產品 / Related Products
逆變點焊機 Product Center
聯系我們Contact us








